電工電路圖,接線圖,電工必備經典電路-KIA MOS管
信息來源:本站 日期:2025-02-10
接觸器互鎖電動機正反轉控制電路
正向轉動控制:合上電源開關Q,按下正向起動按鈕SB2,接觸器KM1的線圈通電并吸合,其主觸點閉合,常開輔助觸點閉合自鎖,電動機M正向旋轉。同時KM1的常閉輔助觸點斷開,避免接觸器KM2通電。這時電動機所接電源的相序為A-B-C。
反向轉動控制:如果需要電動機由正向旋轉變為反向旋轉,先按下停止按鈕SB1,使正轉電路斷開,然后再按下反向起動按鈕SB3,接觸器KM2線圈通電并吸合,其主觸點和常開輔助觸點閉合,使電動機反轉。同時KM2的常閉輔助觸點斷開,避免接觸器KM1通電。這時電動機所接電源相序為C-B-A。
如要電動機停止,只需按下停止按鈕SB1即可。
這種控制電路在改變電動機轉向時,需要先按停止按鈕,再按反轉起動按鈕,才能使電動機反轉。本電路適用于需可逆運行的各種生產機械。
電動與自鎖混合電路
這種控制增加了一個中間繼電器,當我們按下SB2時,中間繼電器KA形成自鎖,同時自身的常開點閉合KM線圈得電,按下SB1時KM和KA的線圈同時失電。按下SB3時接觸器KM線圈得電松開SB3時KM線圈失電,點動控制。
單相雙電源自動切換電路
雙電源切換應用非常廣,兩個接觸器可實現自動切換,主電源的接觸器線圈走繼電器的常開觸點,備用電源的接觸器線圈走繼電器的常閉觸點。
主線路有電的時候,繼電器吸合,常開觸點閉合,主線路導通。常閉觸點斷開,備用電源不工作。當主線路斷電的時候,繼電器也斷電。常開觸點恢復初始斷開狀態,主線路斷開。備用電路的接觸器通過繼電器的常閉觸點開始工作。
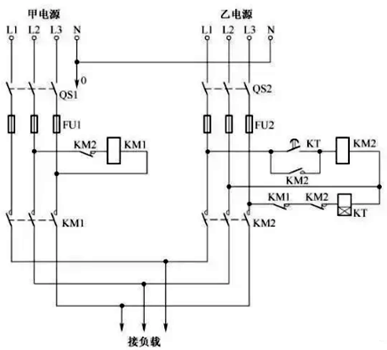
三相雙電源自動切換電路
這個電路采用了繼電器ka的常開常閉和接觸器km1km2常開常閉雙互鎖結構,安全可靠。
一燈單控、雙控、三控的接線圖
星三角降壓啟動電路
聯系方式:鄒先生
座機:0755-83888366-8022
手機:18123972950(微信同號)
QQ:2880195519
聯系地址:深圳市龍華區英泰科匯廣場2棟1902
搜索微信公眾號:“KIA半導體”或掃碼關注官方微信公眾號
關注官方微信公眾號:提供 MOS管 技術支持
免責聲明:網站部分圖文來源其它出處,如有侵權請聯系刪除。
