mos管恒流電路,恒流電路圖原理分享-KIA MOS管
信息來源:本站 日期:2024-05-15
運放恒流源電路的基本原理是利用運放的反饋機制來控制輸出電流。當輸入電壓變化時,運放會自動調整輸出電壓,以保持輸出電流不變。這種電路的優點是簡單易用,但輸出電流范圍有限。
MOS管恒流電路的基本原理是利用MOS管的特性來控制輸出電流。當MOS管的柵極電壓變化時,其導通電阻也會變化,從而控制輸出電流。這種電路的優點是輸出電流范圍大,但需要注意MOS管的溫度漂移和穩定性問題。
運放和MOS管構成的恒流驅動電路是一種常用的電路設計。在實際應用中,運放和MOS管可以結合起來構成更復雜的恒流驅動電路。例如,可以先用運放調整輸出電壓,再用MOS管控制輸出電流,以實現更精確的恒流控制。此外,還可以通過調整電路中的電阻和電源電壓等參數,來優化電路的帶負載能力和穩定性。
當負載電流Iout增加時,采樣電阻1Ω上的電壓V1增加,從而運算放大器反相輸入端電壓Vn增加;從而導致同相輸入端Vp和反相輸入端Vn之間的差值減小,然后運算放大器輸出端Vout電壓減小(即MOS管的驅動電壓降低),從而MOS管等效電阻變大(該電路中MOS等效為可變電阻器),導致Iout減小。所以當Iout增加時,Iout會減小,從而形成負反饋。
由于存在負反饋,所以“虛短”和“虛斷”成立,于是Vn=Vp=Vin,且V1=Vn;所以流過負載的電流Iout=Vin/1Ω(圖中也有標注公式)。
根據仿真,可以進一步印證我們的想法。如上推導一樣,該電路通過控制同相輸入端電壓Vp來實現恒流。仿真圖中負載電流等于0.5V/1Ω=0.5A。圖中C1作用為在運放上電瞬間建立瞬態的負反饋通路,讓運放穩定(因為反饋回路較慢)。在正常工作后,C1等效為開路。
注意事項:
采樣電阻(圖中1Ω精度選取),盡量選擇高精度,低溫漂的精密電阻。因為該采樣電阻直接影響恒流源電路電流的精度。
MOS管功耗會很大(必要時可以MOS并聯分流)。
例如仿真圖中Si9410上兩端的壓降為6.5V,由于負載電流為0.5A,所以MOS管上的熱損功率為6.5V*0.5A=3.25W
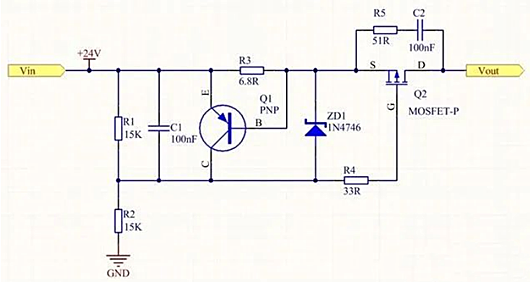
上圖是一個限流恒流電路,當電流低于閾值時,輸出電流由負載決定,當負載加重,輸出電流達到閾值時,輸出電流穩定在閾值保持恒定,負載再加重的話,輸出電流也保持恒定,而輸出電壓Vout會隨著負載加重而下降。
圖中R1和R2為分壓電阻,使MOS管Q2的Vgs電壓固定為12V.ZD1為穩壓二極管,防止輸入電壓波動時,Q2的Vgs電壓超過限制,保護MOS管。具體穩壓管參數可根據MOS管規格書中Vgs限制參數來選擇。
電容C1為緩啟動電容,剛上電時,因C1上電壓為零,A點的電壓最高,隨著電容充電,充電電流越來越小,A點的電壓逐漸下降,電容上的電壓也越來越大,從而確保Q2的Vgs是緩慢增大的。實現Q2開關動作的緩啟動。
聯系方式:鄒先生
聯系電話:0755-83888366-8022
手機:18123972950(微信同號)
QQ:2880195519
聯系地址:深圳市福田區金田路3037號金中環國際商務大廈2109
請搜微信公眾號:“KIA半導體”或掃一掃下圖“關注”官方微信公眾號
請“關注”官方微信公眾號:提供 MOS管 技術幫助
免責聲明:本網站部分文章或圖片來源其它出處,如有侵權,請聯系刪除。
