絕對值電路,運放絕對值電路,原理圖文分享-KIA MOS管
信息來源:本站 日期:2024-04-12
絕對值電路可以將輸入的帶有正負號的數值轉換為其絕對值。這是通過對輸入信號進行比較和選擇來實現的。如果輸入信號是正的,則輸出與輸入相同;如果輸入信號是負的,則輸出為輸入的相反數。
絕對值電路是物理電路中數據信息的處理后的一種電路。例如, 電路設計中絕對值電路對信號取絕對值變成正信號后,(將信號取絕對值后再除以√2得到的信號)就是工程中的測量值,而物理中的電路由于有相當部分是用最大值的電路,而且電路中的方向也會使數據需要處理才能得到真正的利用。絕對值電路處理方法是對數據轉化為我們生活中的實際應用的數據的重要途經。
絕對值電路圖
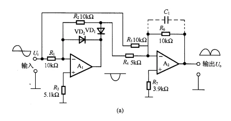
如圖為最基本的絕對值電路,即為負的理想二極管電路與加法電路組成,輸出U。等于Ui的兩個半周相加,若在A2的反相輸入端與輸出端接入電容C1,則輸出為平滑的直流。而各阻值之間關系應為,R1=R2,R5=2R4, Av=R6R5。
運放絕對值電路圖
如圖是采用理想二極管的絕對值基本放大電路。A1和A2采用高速運放LM318和HA2525。圖2是絕對值高速放大電路的實例。電路中,利用VT,和VT2構成的恒流源以及RB1和RB2上的壓降對A1加偏置,電路構成簡單,絕對值放大器的頻率特性可到幾百kHz以上。
簡單有效的絕對值電路
如圖所示,僅需一個AD82774雙通道差動放大器和單正電源。當輸入信號為正時,A1充當電壓跟隨器。A2的兩個輸入與輸入信號的電位相同,因此A2只是將正信號傳遞到輸出。當輸入信號為負時,A1的輸出為0 V,A2反相輸入信號。總體結果是輸入信號的絕對值。高達 ±10 V 的信號可以在高達 10 kHz 的頻率下進行整流。如果要整流的信號非常小,則每個運算放大器輸出端的下拉電阻可以改善0 V左右的電路性能。
聯系方式:鄒先生
聯系電話:0755-83888366-8022
手機:18123972950(微信同號)
QQ:2880195519
聯系地址:深圳市福田區金田路3037號金中環國際商務大廈2109
請搜微信公眾號:“KIA半導體”或掃一掃下圖“關注”官方微信公眾號
請“關注”官方微信公眾號:提供 MOS管 技術幫助
免責聲明:本網站部分文章或圖片來源其它出處,如有侵權,請聯系刪除。
