三相電動機電路圖,電機控制電路圖-KIA MOS管
信息來源:本站 日期:2025-11-17
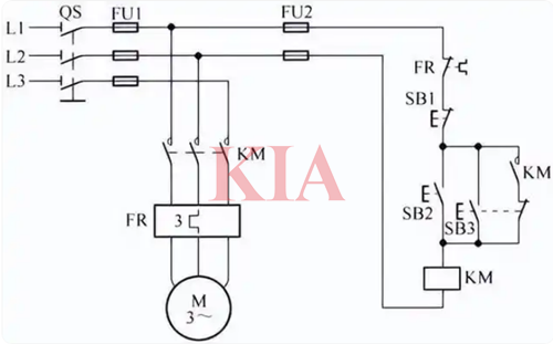
需要點動控制時,按下點動復合按鈕 SB3,其常閉觸點先斷開KM的自鎖電路,隨后SB3常開觸點閉合,接通啟動控制電路,接觸器KM線圈得電吸合,KM主觸點閉合,電動機M啟動運轉。松開SB3時,其已閉合的常開觸點先復位斷開,使接觸器KM失電釋放,KM主觸點斷開,電動機停轉。
若需要電動機連續運轉,按下長動按鈕SB2,由于按鈕SB3的常閉觸點處于閉合狀態,將KM自鎖觸點接入電路,所以接觸器KM得電吸合并自鎖,電動機M連續運行。停機時按下停止按鈕SB1即可。
當需要電動機工作時,合上電源開關QS,按下按鈕SB,交流接觸器KM線圈得電吸合,KM主觸點閉合,使三相交流電源通過接觸器主觸點與電動機接通,電動機M便啟動運行。當放松按鈕SB時,由于接觸器線圈失電,吸力消失,接觸器便釋放,其主觸點斷開,電動機M失電停止運行。
下圖所示為時間繼電器自動控制星三角降壓啟動電路圖。該線路由三個接觸器、一個熱繼電器、一個時間繼電器和兩個按鈕組成。時間繼電器KT作控制星形降壓啟動時間和完成星三角自動切換用,其他電器的作用和上個線路中相同。
線路工作原理:
先合上電源開關QS:
按下SB1→時間繼電器KT線圈通電、KMy線圈通電→KMy互鎖觸頭分斷、KMy主觸頭閉合、KMy動合觸頭閉合→KM線圈通電→KMy常開觸頭分斷、KM自鎖觸頭閉合自鎖、KM主觸頭閉合→電動機M接成星形降壓啟動,當M轉速上升到一定數值,KT常閉觸頭分斷→KMy線圈斷電→KMy主觸頭分斷,接觸y互鎖、KMy互鎖觸頭閉合→KM△線圈通電→KM△主觸頭閉合→電動機M接成三角形全壓運行;KM△互鎖觸頭分斷→對KMy互鎖、KT線圈斷電→KT常閉觸頭瞬時閉合。
停止時按下SB2即可。
該線路中,接觸器KMy通電以后,通過KMy的常開輔助觸頭使接觸器KM通電動作,這樣KMy的主觸頭是在無負載的情況下進行閉合的,故可延長接觸器KMy主觸頭的使用壽命。
聯系方式:鄒先生
座機:0755-83888366-8022
手機:18123972950(微信同號)
QQ:2880195519
聯系地址:深圳市龍華區英泰科匯廣場2棟1902
搜索微信公眾號:“KIA半導體”或掃碼關注官方微信公眾號
關注官方微信公眾號:提供 MOS管 技術支持
免責聲明:網站部分圖文來源其它出處,如有侵權請聯系刪除。
