?電動機正反轉電路,原理圖-KIA MOS管
信息來源:本站 日期:2025-09-10
正反轉電路的原理是改變電機電源相序來實現電機的正反轉。以三相異步電機為例,當三相電源按 A - B - C 相序接入電機時,電機定子繞組產生的旋轉磁場為順時針方向,電機正轉;若將其中任意兩相電源的相序對調,如變?yōu)?A - C - B 相序接入電機,此時定子繞組產生的旋轉磁場變?yōu)槟鏁r針方向,電機則反轉。對于單相電機,通常通過改變啟動繞組或運行繞組的電流方向來實現正反轉。
倒順開關正、反轉控制電路
倒順開關直接接在主電路中,不適合用作大容量的電動機控制,一般用在額定電流10A、功率3KW以下的小容量電動機控制電路中。
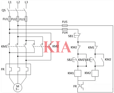
按鈕互鎖控制電路
在正轉控制中,當電源開關Q閉合,并按下正轉按鈕SB2時,接觸器KM1的線圈會通電并吸合。其主觸點會閉合,同時常開輔助觸點也會閉合并自鎖。
在反轉控制中,按下反向起動按鈕SB3時,電動機的反轉過程類似,首先會斷開KM1的控制電路,隨后其常開觸點才會閉合,從而接通反轉接觸器KM2的線圈電源。
要停止電動機的運轉,只需按下停止按鈕SB1即可。
聯系方式:鄒先生
座機:0755-83888366-8022
手機:18123972950(微信同號)
QQ:2880195519
聯系地址:深圳市龍華區(qū)英泰科匯廣場2棟1902
搜索微信公眾號:“KIA半導體”或掃碼關注官方微信公眾號
關注官方微信公眾號:提供 MOS管 技術支持
免責聲明:網站部分圖文來源其它出處,如有侵權請聯系刪除。
